製品概要
製品概要
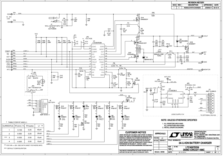
Demonstration circuit 498 is a single battery standalone battery charge controller with built in charge termination featuring the LTC4007. The input voltage is 13 to 20V. The charger output voltage is programmed by jumpers to support 3- and 4-Cell Li-ion batteries with a cell voltage of 4.1V or 4.2V/Cell. The maximum charge current is 4A. The demo board is initially configured for 12.6V Li-ion batteries. The board will automatically charge a battery to termination as soon as input power is applied with a battery connected prior to power up. Status LEDs are provided for CHG, ACP, FAULT, FLAG, ICL and LOBAT. An on-board NTC thermistor is provided.
対象となる製品
関連資料
-
DC498C - Schematic2014/11/21PDF46K
-
DC498C - Demo Manual2014/11/21PDF136K
-
DC498C - Design Files2014/11/21ZIP2M
