製品概要
製品概要
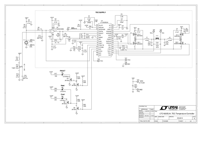
DC491A: Demo Board for the LTC1923 High Efficiency Thermoelectric Cooler Controller.
関連資料
- 
                                                                
                                                                    
                                                                                                                                            DC491A - Schematic2009/09/24PDF33K
 
- 
                                                                
                                                                    
                                                                                                                                            DC491A - Demo Manual2009/09/24PDF475K
 
- 
                                                                
                                                                    
                                                                                                                                            DC491A - Design File2009/09/24ZIP930K
 
                                                
                                                
                                                
                                                
                                                
                                                




