製品概要
製品概要
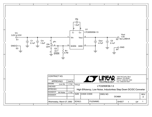
Demonstration circuit 488 is a high efficiency, inductorless step-down converter featuring the LTC3250-1.5. The circuit produces a fixed 1.5V output from a 3.1V to 5.5V input.
対象となる製品
関連資料
-
DC488A - Schematic2009/09/24PDF11K
-
DC488A - Demo Manual2009/09/24PDF434K
-
DC488A - Design File2009/09/24ZIP257K
