製品概要
製品概要
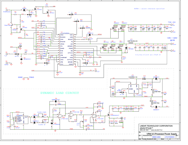
DC483A: Demo Board for the LTC3720 Single Phase VRM8.5 Current Mode Step-Down Controller.
対象となる製品
関連資料
-
DC483A - Schematic2009/09/24PDF106K
-
DC483A - Demo Manual2009/09/24PDF732K
-
DC483A - Design File2009/09/24ZIP2M
