製品概要
製品概要
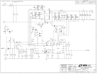
DC467A: Demo Board for LT3781 Bootstrap Start Dual Transistor Synchronous Forward Controller.
対象となる製品
関連資料
-
DC467A - Schematic2009/09/24PDF86K
-
DC467A - Demo Manual2009/09/24PDF155K
-
DC467A - Design File2009/09/24ZIP861K
