製品概要
製品概要
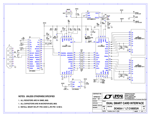
DC465A: Demo Board for LTC1955 - Dual Smart Card Interface with Serial Control.
対象となる製品
関連資料
-
DC465A - Schematic2009/09/24PDF37K
-
DC465A - Demo Manual2009/09/24PDF331K
-
DC465A - Design File2009/09/24ZIP992K
