製品概要
製品概要
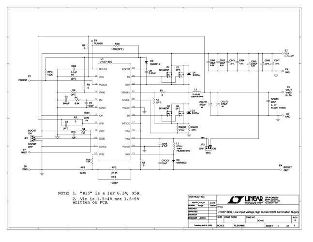
DC464A: Demo Board for LTC3718 Low Input Voltage, DC/DC Controller for DDR/QDR Memory Termination.
対象となる製品
関連資料
-
DC464A - Schematic2009/09/24PDF116K
-
DC464A - Demo Manual2009/09/24PDF491K
-
DC464A - Design File2009/09/24ZIP1M
