製品概要
製品概要
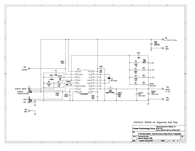
DC456A: Demo Board for LTC3412 2.5A, 4MHz, Monolithic Synchronous Step-Down Regulator.
対象となる製品
関連資料
-
DC456A - Schematic2009/09/24PDF79K
-
DC456A - Demo Manual2009/09/24PDF60K
-
DC456A - Design File2009/09/24ZIP374K
