製品概要
製品概要
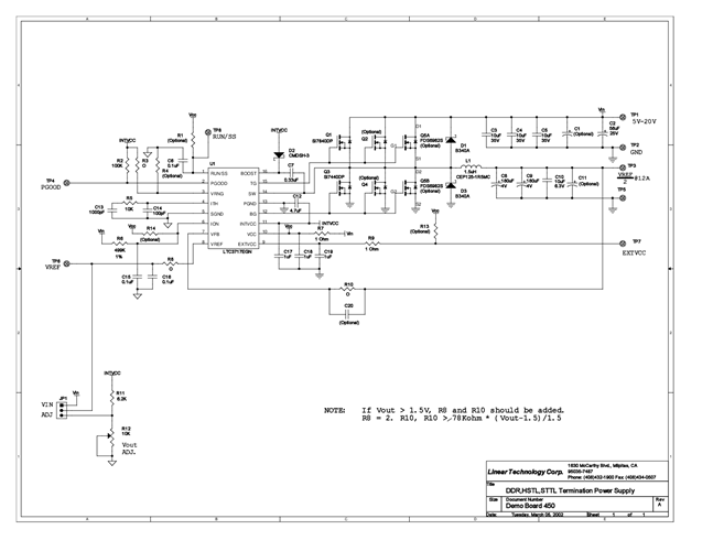
DC450A: Demo Board for LTC3717 Wide Operating Range, No RSENSE Step-Down Controller for DDR/QDR Memory Termination.
対象となる製品
関連資料
-
DC450A - Schematic2009/09/24PDF105K
-
DC450A - Demo Manual2009/09/24PDF491K
-
DC450A - Design File2009/09/24ZIP1M
