関連資料
-
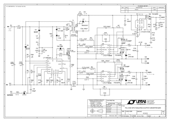
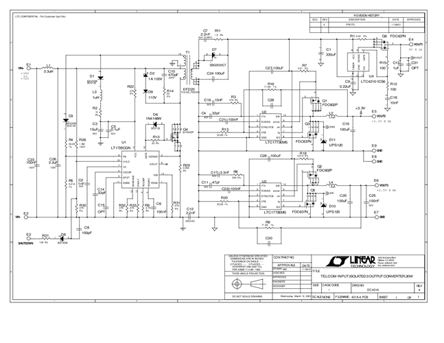
DC431A - Schematic2009/09/24PDF31K
-
DC431A - Demo Manual2009/09/24PDF522K
-
DC431A - Design File2009/09/24ZIP1M
