製品概要
製品概要
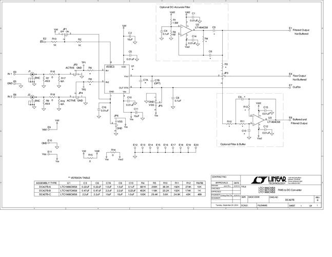
DC427B-A: Demo Board for the LTC1966 Precision Micropower, Delta Sigma RMS-to-DC Converter.
対象となる製品
関連資料
-
DC427B - Schematic2009/09/24PDF26K
-
DC427B - Demo Manual2009/09/24PDF153K
-
DC427B - Design File2009/09/24ZIP669K




