製品概要
製品概要
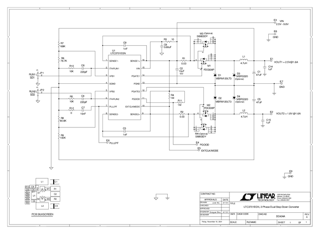
DC424A: Demo Board for the LTC3701 - 2-Phase, Low Input Voltage, Dual Step-Down DC/DC Controller.
対象となる製品
関連資料
-
DC424A - Schematic2009/09/24PDF25K
-
DC424A - Demo Manual2009/09/24PDF163K
-
DC424A - Design File2009/09/24ZIP338K
