製品概要
製品概要
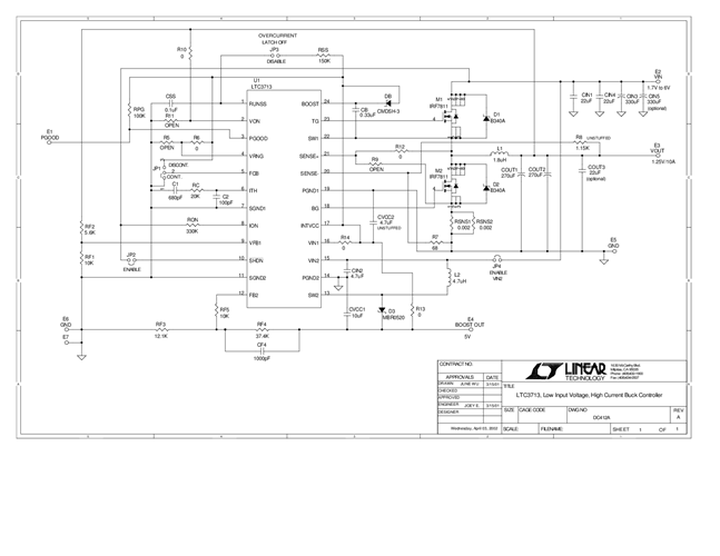
DC412A: Demo Board for the LTC3713 Low Input Voltage, High Power, No RSENSE Synchronous Buck DC/DC Controller
対象となる製品
関連資料
-
DC412A - Schematic2009/09/24PDF23K
-
DC412A - Demo Manual2009/09/24PDF462K
-
DC412A - Design File2009/09/24ZIP956K
