製品概要
製品概要
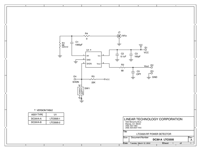
DC391A-B: Demo Board for LTC5505 RF Power Detector with Buffered Output and >40dB Dynamic Range.
対象となる製品
関連資料
-
DC391A - Schematic2016/10/20PDF12K
-
DC391A - Demo Manual2016/10/20PDF39K
-
DC391A - Design File2016/10/20ZIP660K
