製品概要
製品概要
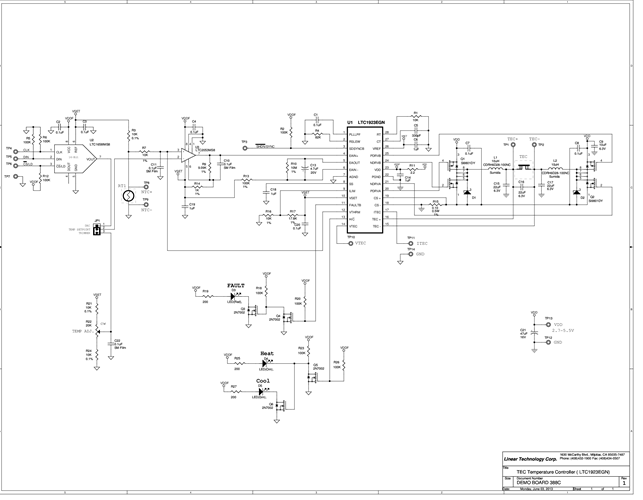
Demonstration circuit DC388 utilizes the LTC1923 thermoelectric cooler (TEC) controller. It provides a complete temperature control solution for TEC based temperature control of fiber-optic lasers. Laser temperature may be controlled at temperatures above or below ambient with set point stability typically well within .05º C over widely varying ambient temperature. Temperature set point is established with a screwdriver driven potentiometer or a 14-bit on-board DAC. Considerably more detail relating to TEC temperature control issues is available in LTC Application Note AN-89, “A Thermoelectric Cooler Temperature Controller for Fiber Optic Lasers.” This publication should be reviewed before demo board results are evaluated.
関連資料
- 
                                                                
                                                                    
                                                                                                                                            DC388C - Schematic2014/01/21PDF44K
 
- 
                                                                
                                                                    
                                                                                                                                            DC388C - Quick Start Guide2014/01/21PDF14K
 
- 
                                                                
                                                                    
                                                                                                                                            DC388C - Design Files2014/01/21ZIP736K
 
                                                
                                                
                                                
                                                
                                                
                                                




