製品概要
製品概要
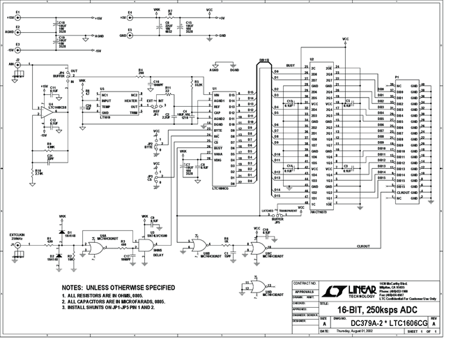
DC379A: Demo Board for the LTC1606 - 16-Bit, 250ksps, Single Supply ADC
対象となる製品
関連資料
-
DC379A - Schematic2009/09/24PDF87K
-
DC379A - Demo Manual2009/09/24PDF836K
-
DC379A - Design File2009/09/24ZIP768K



