製品概要
製品概要
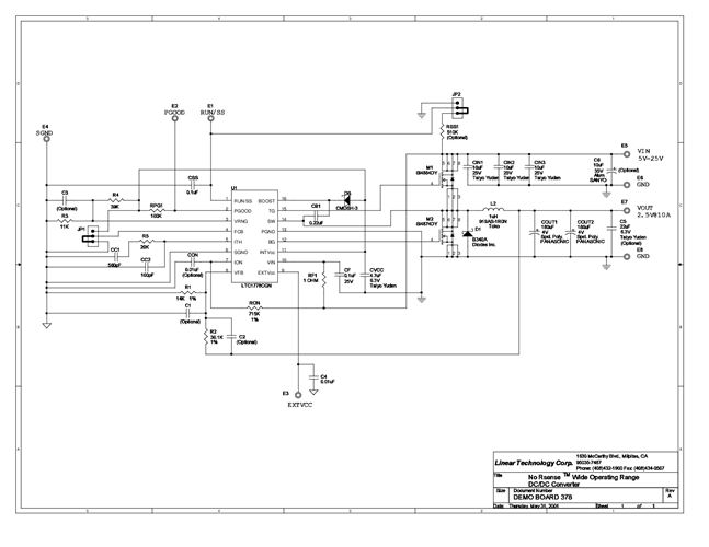
Demonstration circuit DC378 is a synchronous step-down buck regulator using the LTC1778 No RSENSE switching regulator controller. The controller uses a valley current control architecture to deliver very low duty cycles without requiring a sense resistor. The demo board operates with a 5V to 25V supply voltage and provides a 2.5V@10A output.
対象となる製品
関連資料
-
DC378A - Schematic2009/09/24PDF132K
-
DC378A - Demo Manual2012/08/03PDF197K
-
DC378A - Design File2009/09/24ZIP683K
