製品概要
製品概要
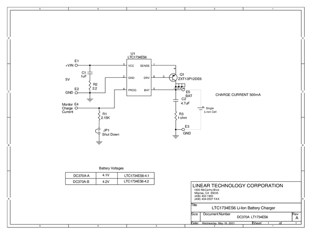
DC370A-B: Demo Board for the LTC1734 Lithium-Ion Linear Battery Charger in ThinSOT.
対象となる製品
関連資料
-
DC370A - Schematic2009/09/24PDF7K
-
DC370A - Demo Manual2009/09/24PDF182K
-
DC370A - Design File2009/09/24ZIP2M
