製品概要
製品概要
This evaluation board is obsolete and no longer recommended.対象となる製品
関連資料
-
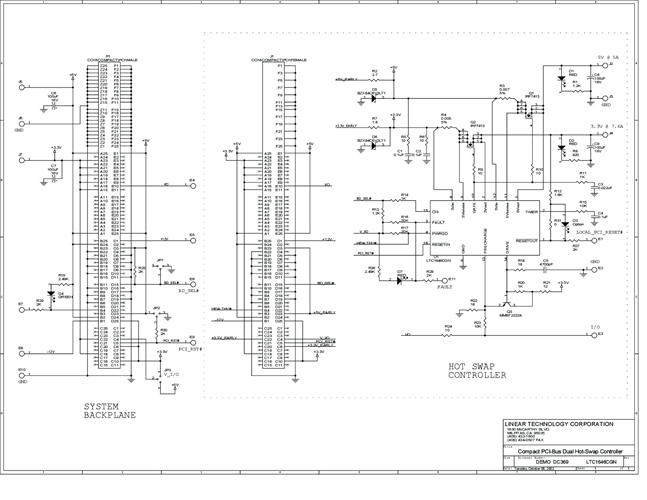
DC369A - Schematic2009/09/24PDF85K
-
DC369A - Demo Manual2009/09/24PDF100K
-
DC369A - Design File2009/09/24ZIP1M
