製品概要
製品概要
This evaluation board is obsolete and no longer recommended. The replacement board is the DC368B.
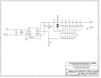
Demonstration circuit DC368A is a low noise micropower voltage regulator using the 500mA LT1763 in the 8-lead SO package. These circuits are used primarily in voltage controlled oscillators, RF power supplies and, in larger systems, as local regulators. The DC368 has an input voltage range of 2.3V to 20V and provides a jumper-selectable 1.2V/1.5V/1.8V/2.5V/3.0V/3.3V/5.0V output at 500mA.
マーケット&テクノロジー
対象となる製品
関連資料
-
DC368A - Schematic2009/09/24PDF64K
-
DC368A - Demo Manual2013/07/02PDF370K
-
DC368A - Design File2009/09/24ZIP423K




