製品概要
製品概要
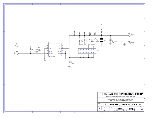
Demonstration circuit DC367A is a low noise micropower voltage regulator using the 1.5A LT1963 in the 8-lead SO package. These circuits are used primarily in voltage controlled oscillators, RF power supplies and, in larger systems, as local regulators. The DC367 has an input voltage range of 2.5V to 20V and provides a jumper-selectable 1.2V/1.5V/1.8V/2.5V/3.3V output at 1.5A.
対象となる製品
関連資料
-
DC367A - Schematic2009/09/24PDF12K
-
DC367A - Demo Manual2011/11/07PDF5M
-
DC367A - Design File2009/09/24ZIP510K



