製品概要
製品概要
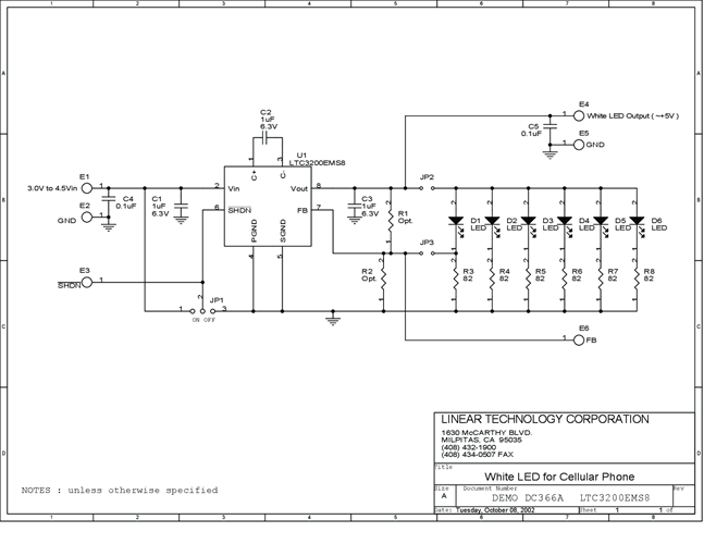
Demonstration Circuit 366A is a low noise constant frequency regulated charge pump featuring the 100mA output current LTC3200. The demo board accepts a 2.7V to 4.5V input voltage and drives six white LEDs in parallel, resulting in 16.6mA per LED. Ballast resistors are employed to provide more uniform light intensity fromr the paralleled LEDs.
対象となる製品
関連資料
-
DC366A - Schematic2009/09/24PDF58K
-
DC366A - Demo Manual2009/09/24PDF120K
-
DC366A - Design File2009/09/24ZIP561K
