製品概要
製品概要
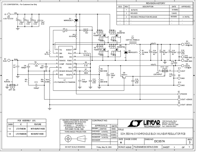
DC357A-A: Demo Board for the LTC1704 550kHz Synchronous Switching Regulator Controller Plus Linear Regulator Controller.
対象となる製品
関連資料
-
DC357A - Schematic2009/09/24PDF95K
-
DC357A - Demo Manual2009/09/24PDF329K
-
DC357A - Design File2009/09/24ZIP1M
