製品概要
製品概要
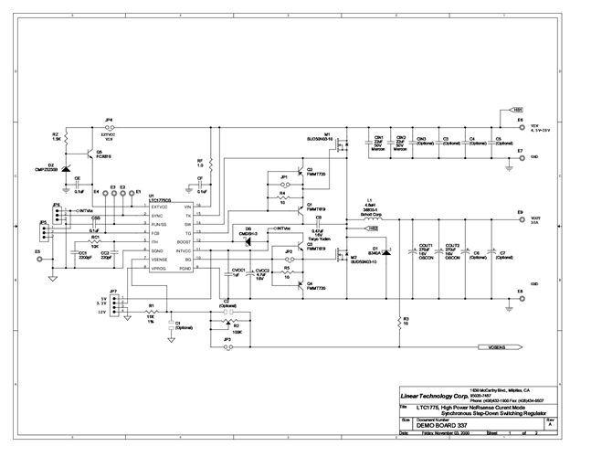
DC337A: Demo Board for the LTC1775 High Power No RSENSE Current Mode Synchronous Step-Down Switching Regulator.
対象となる製品
関連資料
-
DC337A - Schematic2009/09/24PDF142K
-
DC337A - Demo Manual2009/09/24PDF34K
-
DC337A - Design File2009/09/24ZIP990K
