製品概要
製品概要
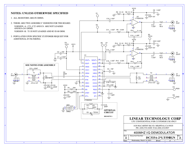
DC333A-B: Demo Board for the LT5502 400MHz Quadrature IF Demodulator with RSSI.
対象となる製品
関連資料
-
DC333A - Schematic2009/09/24PDF28K
-
DC333A - Demo Manual2009/09/24PDF159K
-
DC333A - Design File2009/09/24ZIP837K
