製品概要
製品概要
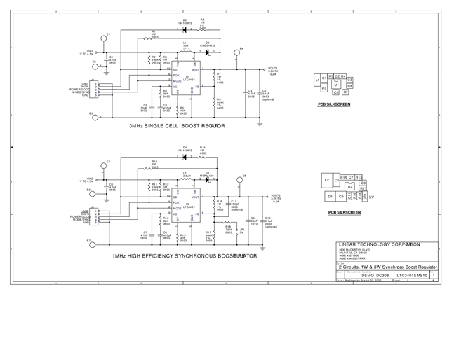
DC308A: Demo Board for LTC3401 1A, 3MHz Micropower Synchronous Boost Converter.
対象となる製品
関連資料
- 
                                                                
                                                                    
                                                                                                                                            DC308A - Schematic2009/09/24PDF24K
- 
                                                                
                                                                    
                                                                                                                                            DC308A - Demo Manual2009/09/24PDF199K
- 
                                                                
                                                                    
                                                                                                                                            DC308A - Design File2009/09/24ZIP374K
 
                             
                         
                         
                                                