関連資料
-
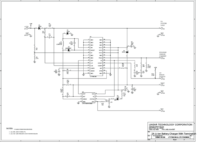
DC299A - Schematic2009/09/24PDF85K
-
DC299A - Demo Manual2009/09/24PDF71K
-
DC299A - Design File2009/09/24ZIP470K
