製品概要
製品概要
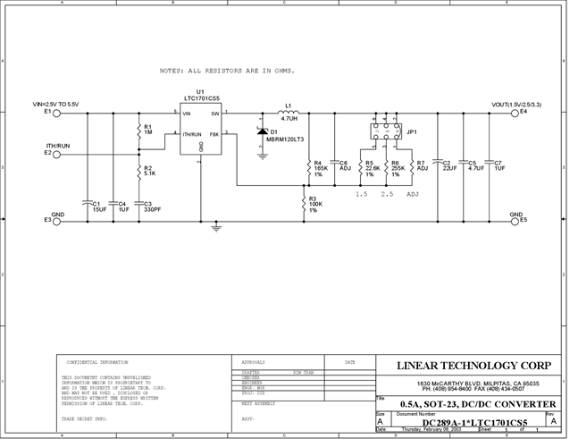
DC289A: Demo Board for the LTC1701 1MHz Step-Down DC/DC Converter in SOT-23.
対象となる製品
関連資料
-
DC289A - Schematic2009/09/24PDF70K
-
DC289A - Demo Manual2009/09/24PDF108K
-
DC289A - Design File2009/09/24ZIP396K
