製品概要
製品概要
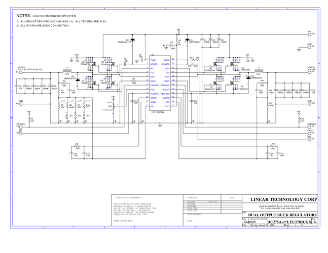
DC275A: Demo Board for the LTC1702A Dual 550kHz Synchronous 2-Phase Switching Regulator Controller.
対象となる製品
関連資料
-
DC275A - Schematic2009/09/24PDF40K
-
DC275A - Demo Manual2009/09/24PDF326K
-
DC275A - Design File2009/09/24ZIP1M
