製品概要
製品概要
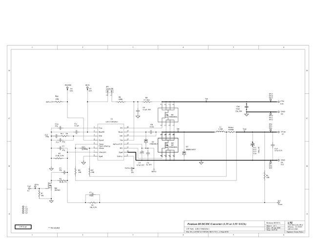
DC267A: Demo Board for the LTC1735-1 High Efficiency Synchronous Step-Down Switching Regulator.
対象となる製品
関連資料
-
DC267A - Schematic2009/09/24PDF30K
-
DC267A - Demo Manual2009/09/24PDF63K
-
DC267A - Design File2009/09/24ZIP720K
