製品概要
製品概要
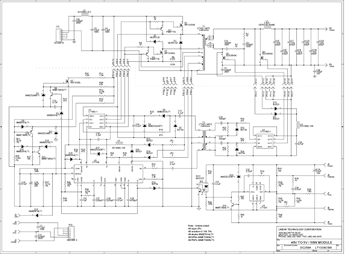
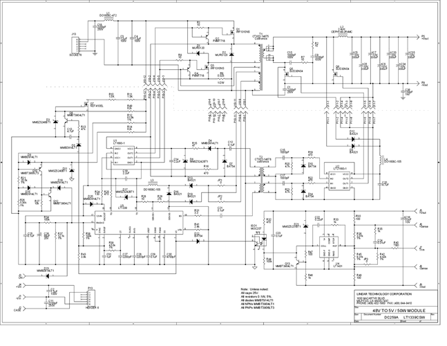
Demo Board DC259A provides an isolated 3.3V or 5VOUT at 10A from a 36 to 72VDC source. The DC259A includes the following products:
LT1431 - Programmable Reference
LT1339 - High Power Synchronous DC/DC Controller
LTC1693 - High Speed Single/Dual N-Channel MOSFET Drivers
関連資料
-
DC259A - Schematic2009/09/24PDF66K
-
DC259A - Demo Manual2009/09/24PDF532K
-
DC259A - Design File2009/09/24ZIP559K
