製品概要
製品概要
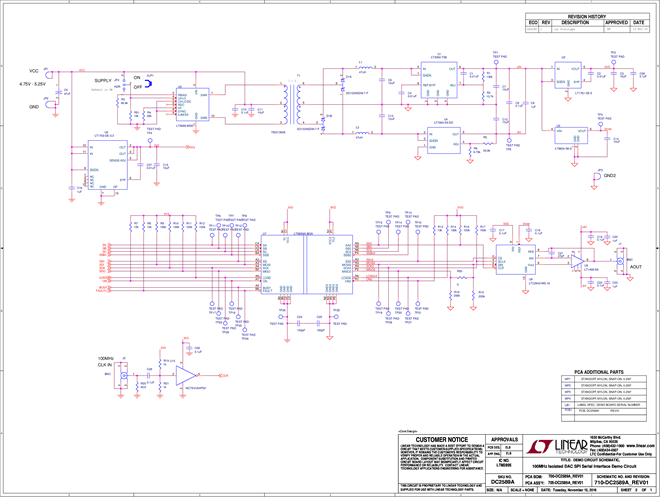
Demonstration circuit DC2589A shows an LTM2895 isolating and interfacing an LTC2642-16. The LTM2895 is a high speed SPI isolator for interfacing DACs with a full complement of control signals. The LTC2642-16 is a bipolar 16-bit unbuffered voltage output DAC. Low noise isolated power is delivered to the isolated side with a LT3999 push pull driver and isolation transformer.
関連資料
-
DC2589A - Schematic2017/05/03PDF68K
-
DC2589A - Demo Manual2017/05/03PDF2M
-
DC2589A - Design Files2017/05/03ZIP9M
