製品概要
製品概要
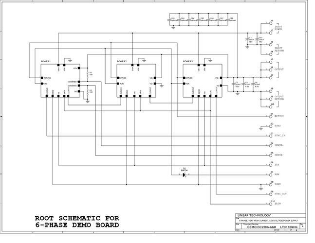
DC256A: Demo Board for the LTC1629 PolyPhase, High Efficiency, Synchronous Step-Down Switching Regulator.
対象となる製品
関連資料
-
DC256A - Schematic2009/09/24PDF336K
-
DC256A - Design File2009/09/24ZIP1M
