関連資料
- 
                                                                
                                                                    
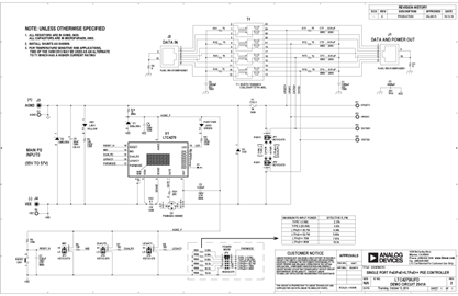
                                                                                                                                            DC2541A - Schematic2017/01/17PDF41K
 
- 
                                                                
                                                                    
                                                                                                                                            DC2541A - Demo Manual (Rev. A)2017/01/17PDF467K
 
- 
                                                                
                                                                    
                                                                                                                                            DC2541A - Design Files2017/01/17ZIP1M
 
                                                
                                                
                                                
                                                
                                                
                                                
                                                
                                                






