製品概要
製品概要
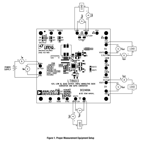
デモ回路2469Aは、トリプル・モノリシック降圧レギュレータとSEPICとして昇圧チャンネルを備えたLT8603を使用しています。デモ回路は、公称12Vの入力からの、8V、5V、3.3V、1.8V出力用に設計されています。第4チャンネルはSEPICコンバータとして設定されており、その出力は広い入力範囲全体で8Vでレギュレーションされます。2個の高電圧降圧レギュレータはVOUT4から電力が供給されます。VOUT1は最大出力負荷電流1.5Aで、5Vでレギュレーションされます。VOUT2は最大出力負荷電流2.5Aで、3.3Vでレギュレーションされます。低電圧降圧はVOUT2(3.3V)から電力が供給され、出力VOUT3は最大負荷電流1.8Aで、1.8Vでレギュレーションされます。SEPICコンバータにより、4つすべての出力がオートモーティブ・アプリケーションでのコールド・クランクをライドスルーしながら、レギュレーションされた出力電圧を提供できます。
関連資料
-
DC2469A - Schematic2018/01/19PDF80K
-
DC2469A - Demo Board Manual2018/01/19PDF626K
-
LT8603: 42V、低IQ、クワッド出力のモノリシック・トリプル降圧コンバータおよび昇圧コントローラ データシート (Rev. )2018/02/01PDF2M
-
DC2469A - Design Files2018/01/19ZIP2M
