製品概要
製品概要
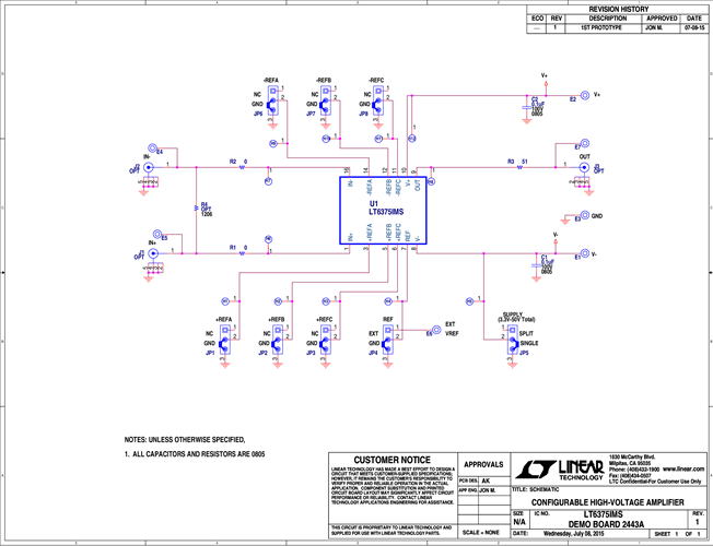
Demonstration Circuit 2443 is a Configurable High Voltage Amplifier featuring the LT6375.
This demo board translates a high common mode signal to an output related to a low voltage reference level. The demo circuit is equipped with jumpers to facilitate setting the pin-strapped internal divider ratio configuration. The LT6375 is unique in that it may be powered from a low voltage (down to 3.3V) while it accepts signals well outside the supply range.
関連資料
-
DC2443 - Schematic2015/11/02PDF33K
-
DC2443 - Demo Manual2015/11/02PDF764K
-
DC2443 - Design Files2015/11/02ZIP1M





