製品概要
製品概要
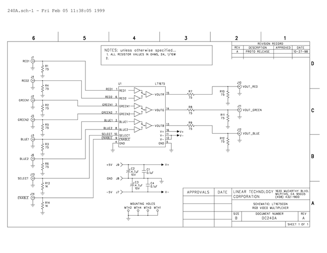
DC240A: Demo Board for the LT1675 250MHz, Triple and Single RGB Multiplexer with Amplifiers.
対象となる製品
関連資料
-
DC240A - Schematic2009/09/24PDF73K
-
DC240A - Demo Manual2009/09/24PDF523K
-
DC240A - Design File2009/09/24ZIP657K
