製品概要
製品概要
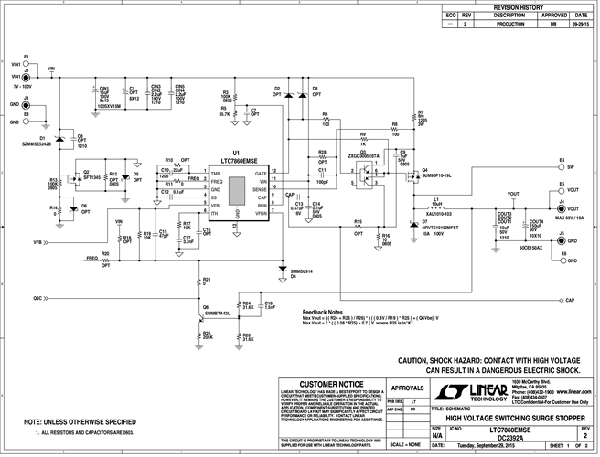
Demonstration circuit 2392A is a high efficiency switching surge stopper featuring the LTC7860. The board operates from an input range of 7V to 100V, and provides a 7V to 34V output at 0A to 10A. Its output is current limited. A soft-start feature controls output voltage slew rate at startup, reducing current surge and voltage overshoot. The demonstration board includes an optional reverse polarity protection MOSFET and has options for an input filter and diode to attenuate spikes. For a lower output voltage limit of less than 12V, there is an optional feedback circuit.
関連資料
-
DC2392A - Schematic2016/01/08PDF53K
-
DC2392A - Demo Manual2016/01/08PDF326K
-
DC2392A Design Files2016/04/21ZIP896K





