製品概要
製品概要
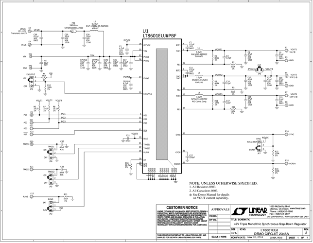
Demonstration circuit 2346A is a triple power supply featuring the LT8601. LT8601 is a 42V triple monolithic synchronous step-down regulator. The demo circuit is designed for 5V, 3.3V, and 1.8V outputs from a nominal 12V input, with switching frequency set at 2MHz to avoid audio band. The 1.8V converter is powered from the 3.3V output, and the 5V, 3.3V are powered from a wide range of 6V to 24V, transient to 42V. The current capability is 2.5A for the 3.3V output, 1.5A for the 5V output, and 1.8A for the 1.8V output when running individually. Up to 1A load current can be applied to all the channels simultaneously without special cooling.
関連資料
-
DC2346A - Schematic2016/03/02PDF92K
-
DC2346A - Demo Manual2016/03/02PDF528K
-
DC2346A - Design Files2016/03/02ZIP3M
