製品概要
製品概要
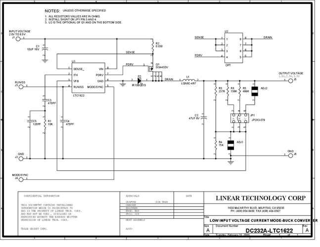
DC232A: Demo Board for the LTC1622 Low Input Voltage Current Mode Step-Down DC/DC Controller.
対象となる製品
関連資料
-
DC232A - Schematic2009/09/24PDF82K
-
DC232A - Demo Manual2009/09/24PDF298K
-
DC232A - Design File2009/09/24ZIP669K
