製品概要
製品概要
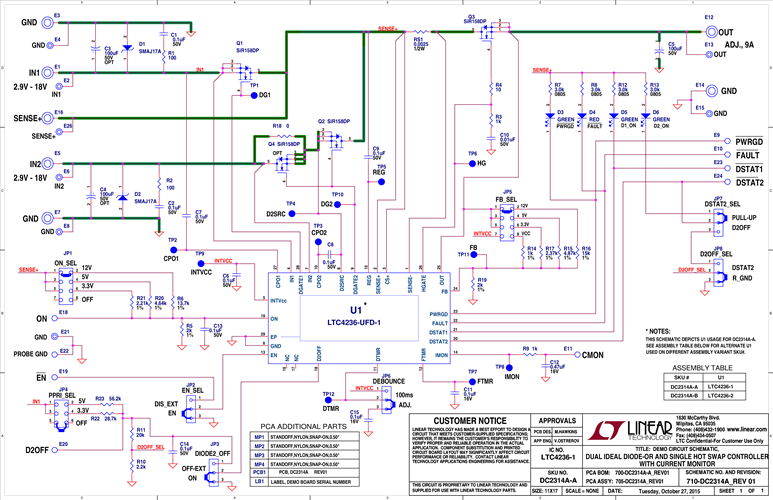
Demonstration circuit 2314A is intended to demonstrate the performance of the LTC4236-1/LTC4236-2 Dual Ideal Diode-OR and Single Hot Swap Controller with Current Monitor. The controller operates in redundant supply circuits, where each rail has an individual ideal diode, and the outputs are connected to the load through a single Hot Swap circuit. The controller enables monitoring of the load current by providing a signal that is 100× the sense resistor voltage.
対象となる製品
関連資料
-
Hot Swap Controllers2023/08/02PDF0 M
-
DC2314A - Schematic2016/03/22PDF59K
-
DC2314A - Demo Manual2016/03/22PDF259K
-
DC2314A - Design Files2016/04/21ZIP1M
