製品概要
製品概要
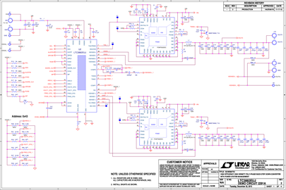
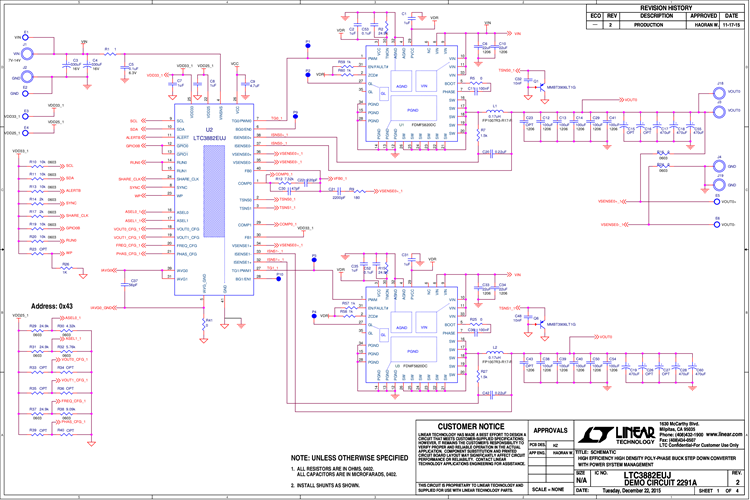
Demonstration circuit 2291A is a high current, high efficiency, PolyPhase® synchronous buck converter featuring the LTC3882EUJ, a dual output voltage mode controller. This demo board incorporates two LTC3882 controllers which provide four phases to deliver up to 140A. The default output voltage is 1V and can be adjusted from 0.5V to 2V. The LTC3882 has the PMBus interface and digital power system management functions.
対象となる製品
関連資料
-
DC2291A - Schematic2016/04/25PDF134K
-
DC2291A - Demo Manual2016/04/25PDF2M
-
DC2291A - Design Files2016/04/25ZIP2M
