製品概要
製品概要
Demonstration circuit 2277A contains the circuitry needed to program and verify the EEPROM of the LTC3886 in the UKG package and that is its only purpose. The DC2277A is shipped with a LTC3886 installed in the clamshell style programming socket and its EEPROM contains the factory default configuration. The LTpowerPlay™ #.proj file that corresponds to the factory default can be found in the GUI.
対象となる製品
関連資料
-
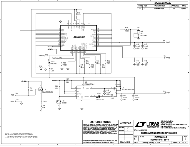
DC2277A - Schematic2016/04/01PDF52K
-
DC2277A - Demo Manual2016/04/01PDF680K
-
DC2277A - Design Files2016/04/21ZIP830K
