製品概要
製品概要
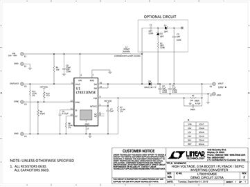
Demonstration circuit DC2275A features the LT8331 in a boost configuration. The demo circuit demonstrates small size and low component count. The boost is designed to convert a 10V to 48V source to 120V at 25mA to 80mA.
対象となる製品
関連資料
-
DC2275A - Schematic2015/12/11PDF71K
-
DC2275A - Demo Manual2015/12/11PDF259K
-
DC2275A - Design Files2015/12/11ZIP1M




