製品概要
製品概要
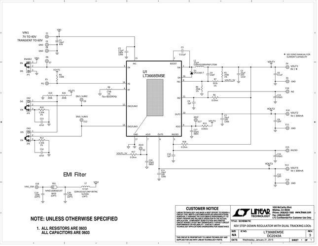
デモンストレーション回路2243Aは、トリプル電源が1つの400mA降圧レギュレータと、LT3668を搭載した2つの200mAの低ドロップアウト(LDO)リニア・トラッキング・レギュレータを含んでいます。デモ回路は、7V〜40Vの入力からの、1つの6Vおよびデュアル5V出力用に設計されています。2つのLDO出力がスイッチング・レギュレータ出力のポスト・レギュレータとして設定されています。3つの出力チャンネルの合計電流容量は最大400mAですが、2つのLDOレギュレータはそれぞれ200mAが可能です。
対象となる製品
関連資料
-
DC2243A - Schematic2015/03/30PDF84K
-
DC2243A - Demo Manual2015/03/30PDF306K
-
DC2243A - Design Files2015/03/30ZIP2M
