製品概要
製品概要
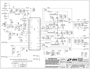
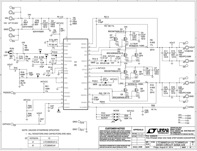
デモンストレーション回路2236A-Bは、LTC3890EUHを搭載した、高出力電圧、高効率の同期PolyPhase®降圧コンバータです。DC2236A-Bは、16V~60Vの広い入力電圧範囲で動作し、最大25Aの出力電流を供給できます。出力電圧は12Vに設定されていますが、変更により最大24Vまで設定できます。DC2236A-Bは、3種類の動作モードに対応します。固定周波数変調、パルス・スキッピング、およびBurst Mode®動作です。固定周波数モードの動作では、出力電流の最大化、出力電圧リップルの低減、低いノイズ・スイッチング・スペクトラムを実現します。Burst Modeは可変周波数スイッチング・アルゴリズムを採用、無負荷入力静止電流を最小化し、軽負荷時の効率を改善します。
対象となる製品
関連資料
-
DC2236A-B - Schematic2014/09/22PDF49K
-
DC2236A-B - Demo Manual2014/09/22PDF514K
-
DC2236A-B - Design Files2014/09/22ZIP4M





