製品概要
製品概要
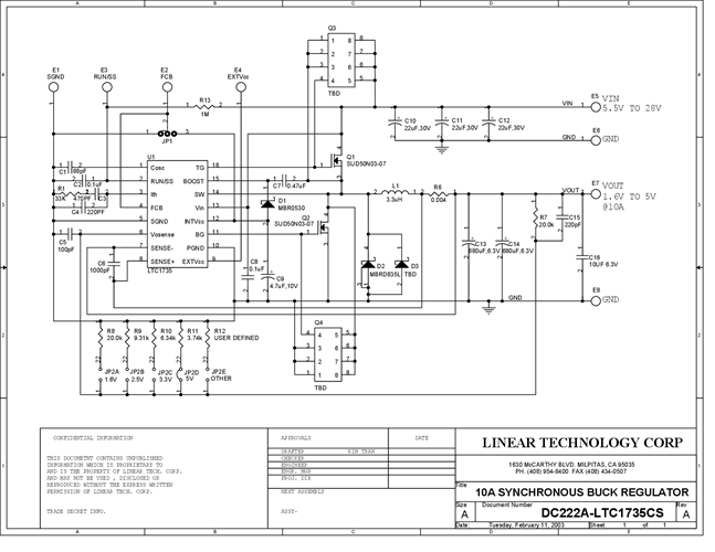
DC222A: Demo Board for the LTC1735 High Efficiency Synchronous Step-Down Switching Regulator.
対象となる製品
関連資料
-
DC222A - Schematic2009/09/24PDF90K
-
DC222A - Demo Manual2009/09/24PDF18K
-
DC222A - Design File2009/09/24ZIP1M
