製品概要
製品概要
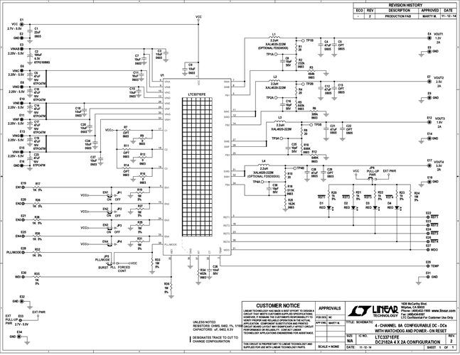
Demonstration circuit 2182A is a 4-output power supply with a watchdog timer and power-on reset featuring the LTC3371. The LTC3371 has four synchronous current mode buck regulators which can be configured to share eight individual 1A power stages to create one of eight combinations of 1A, 2A, 3A and 4A regulators. The DC2182A is set up as four 2A buck regulators but can be modified to one of the other seven configurations. Its input voltage range is 2.25V to 5.5V.対象となる製品
関連資料
-
DC2182A - Schematic2015/02/13PDF107K
-
DC2182A - Demo Manual2015/02/13PDF615K
-
DC2182A - Design Files2015/02/13ZIP5M
