製品概要
製品概要
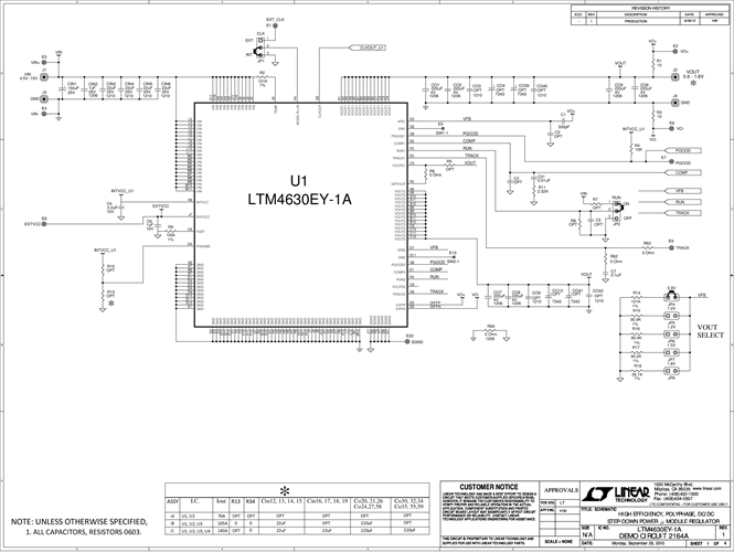
Demonstration Circuit 2164A-A features a PolyPhase® design using two paralleled LTM4630EY-1's (A-grade), the high efficiency, high density, dual 18A, switch mode step-down power module regulator. The input voltage is from 4.5V to 15V. The output voltage is jumper selectable and can be set to 0.9V, 1.0V, 1.2V, 1.5V or 1.8V. DC2164A-A can deliver nominal 70A output current. As explained in the data sheet, output current derating is necessary for certain VIN, VOUT, and thermal conditions. The LTM4630-1A on DC2164A-A always operate in continuous conduction mode. The switching frequency can be programmed through a resistor or can be synchronized to an external clock signal. The board allows the user to program how its output voltage ramps up and down through the TRACK pin.
対象となる製品
関連資料
-
DC2164A - Schematic2015/10/01PDF171K
-
DC2164A-A - Demo Manual2015/10/01PDF1M
-
DC2164A - Design Files2015/09/10ZIP3M
