製品概要
製品概要
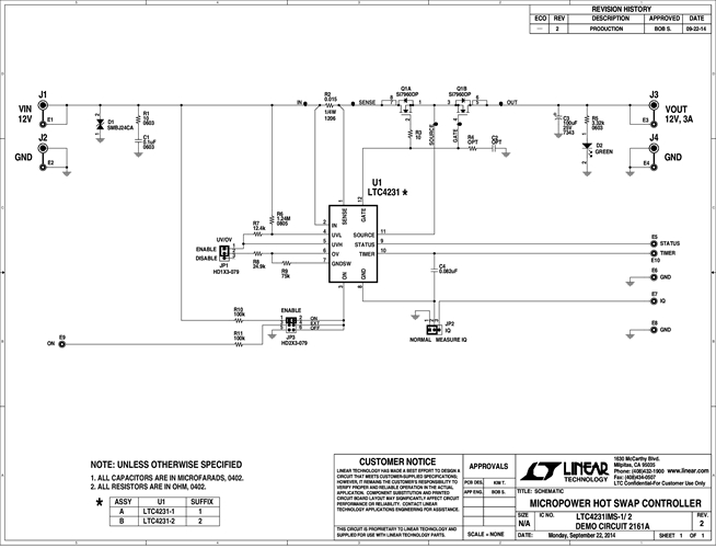
Demonstration circuit 2161A showcases the LTC4231 Micropower Hot Swap™ Controller in a 12V, 3A application. Included on the board are input overvoltage and reverse voltage protection, input voltage dividers for UV and OV detection, an output voltage LED, jumpers to disable UV/OV, manual and remote enable control, and quiescent current measurement. There are turrets provided to monitor input voltage, output voltage, output status, quiescent current, several ground connections, timer pin, and control the ON pin. Input, output and return voltages are provided on banana jacks.
対象となる製品
関連資料
-
Hot Swap Controllers2023/08/02PDF0 M
-
DC2161A - Schematic2014/11/11PDF32K
-
DC2161A - Demo Manual2014/11/11PDF199K
-
DC2161A - Design Files2014/11/11ZIP700K





